부품은 몇개 없는데 파트가 잘 안나와서..
16Mhz OSC
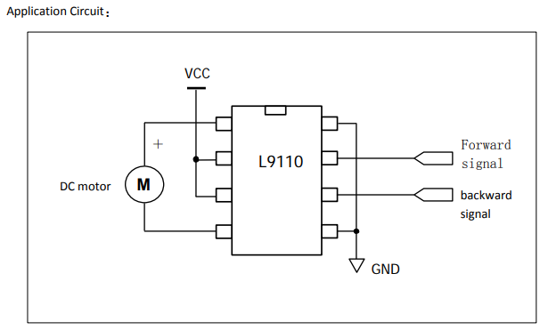
7886 1616hv
파워관련?
driver ic / motor driver
|
회로 요약 RZ7886은 모터 드라이브 및 다른 유형의 장난감에 적합한 DC 양방향 모터 드라이브 회로입니다. 다이나믹 밸브 모터 드라이브, 전자 도어록 드라이브 등 모터 전진을 제어하기위한 두 개의 로직 입력 단자가 있으며, 후퇴와 브레이크. 이 회로는 우수한 간섭 방지, 작은 대기 전류, 낮은 출력 내부 저항 및 동일한 또한 인덕 티브 부하의 돌입 전류를 반전하는 다이오드가 내장되어 있습니다. |

[링크 : https://lcsc.com/product-detail/Motor-Drivers_RZ7886_C128852.html]
[링크 : https://eleparts.co.kr/EPXKBPMB]
RW1601H 11JS1631
MCU + 2.4GHz RF ?
16핀(SOP16), RISC(Cortex-M0) 방식에 MP 된 녀석으로 RF 지원하고 2K OTP 플래시, 88byte 램(ㄷㄷ)
8 MHz 클럭이면.. 멀까? 16Mhz 넣고 DIV/2 해서 쓰는걸려나 아니면 오버클럭이려나?

[링크 : http://www.dlaap.com/qfy-content/uploads/2017/12/d323284087b69e57de0da4ff13c7e812.pdf]
[링크 : http://www.dlaap.com/?page_id=8806]
YX 8116 16029
모터랑 연결되는거 같은데 드라이버?
(일단은 조향 DC 모터에 연결됨)
[링크 : https://hackaday.io/project/163496/logs]
동일한건 아니지만 찾다보니 DC motor driver 이거나 PWM 출력인거 같은데
(아니면 DC Driver인데 PWM 출력으로 제어가 가능하거나)
[링크 : https://www.richtek.com/.../RT8116?sc_lang=en]
아무튼 아두이노로 하는것 중에 유사한게 있는데 VCC로 2개 핀이 붙어 있는거 보면
이거랑 유사한 DC motor driver 인걸로 보이긴 하는데..

'개소리 왈왈 > 쿼드콥터(RC)' 카테고리의 다른 글
| jjrc h37 elfie 수리법 (2) | 2020.04.12 |
|---|---|
| jjrc rtsp 주소 (0) | 2020.04.11 |
| 벼룩시장 득테미냐 쓰레기를 돈 주고 사온것이냐.. (5) | 2019.05.11 |
| 300m 1km 까지되는 드론? (2) | 2019.02.06 |
| 심심해서 장난감 수리! (2) | 2018.11.03 |
